











Bloqueos de eje para interruptor magnetotérmico
Marca: IFAM
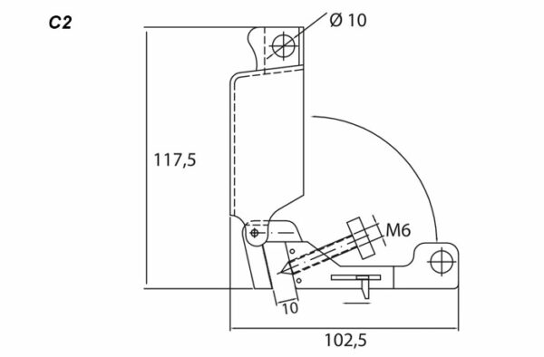
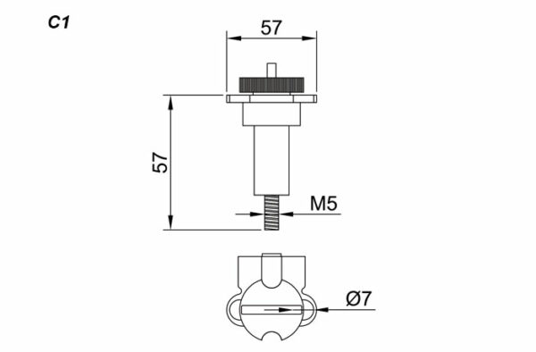
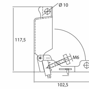
Con ajuste de tornillo para su fijación a los disyuntores
Categoría: Bloqueo y Etiquetado
Etiqueta: IFAM
- Descripción
Descripción
Características
IFAM incorpora dos nuevas referencias a los Bloqueos de eje para interruptor magnetotérmico, que aportan distintos grados de visibilidad de estos dispositivos. Asimismo, ofrecen una mayor adaptabilidad, pues admiten mayor rango de diámetros de arco de los candados de consignación con los que se desee inmovilizar estos bloqueos.
- Dispositivos diseñados para bloquear interruptores de diferentes tamaños en un cuadro de mandos.
- Fabricados en nylon con carga de fibra de vidrio al 30% para dotarlos de mayor resistencia.
- Pasadores y tornillos de acero inoxidable.
- Resistentes a las sustancias químicas y temperaturas extremas.
- Disponibles para interruptores individuales y multipolares.
- Ajuste mediante sistema de tornillo.
- Bloqueo mediante un candado con diámetro de arco máximo de 6 mm.











