



servovalvula direccional, 4WSE3E32V1000E5X/VPT9/24K31A1 REXROTH
Marca: REXROTH
Tamaño nominal 32, símbolo V, electrónica integrada, 24 V CC
Serie 5X
Presión máxima de funcionamiento 315 bar
Flujo máximo: 1800 l/min
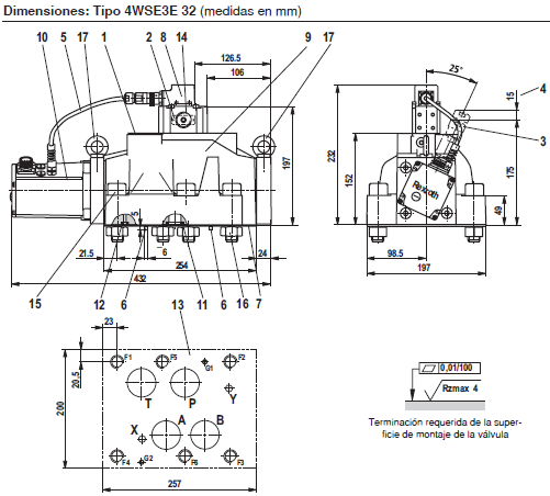
- Descripción
Descripción
Las válvulas servodireccionales de Bosch Rexroth controlan y regulan de forma muy precisa el sentido de flujo y, con ello, el sentido de movimiento y giro de los accionamientos hidráulicos. Con el símbolo de conmutación correspondiente se habilitarán o bloquearán las vías de la tubería que desee.
Características:
– Válvula para la regulación de posición, fuerza, presión o velocidad
– Servoválvula de 3 etapas con regulación eléctrica de posición de la corredera de mando de la 3ra. etapa, detección de posición de la corredera de mando mediante un captador de posición inductivo
– Válvula piloto de 2 etapas TN 6 de elevada dinámica
– 1ra. etapa como amplificador de tobera-placa deflectora
– Filtro para 1ra. etapa accesible y reemplazable desde el exterior
– Montaje sobre placa: Posición de las conexiones según ISO 4401
– Se puede emplear también como versión de 3 vías
– La válvula y la electrónica de mando integrada son ajustadas y ensayadas en fábrica
– Circuito optimizado de regulación de la válvula
– Elevada sensibilidad de reacción, histéresis y deriva de punto nulo muy reducidas
– Alimentación y retorno de aceite de mando suministrable en forma interna o externa
– Cámara de presión del casquillo de mando con juntas por







