



Válvula de retención y estranguladora, Z2FS16-8-3X/S REXROTH
Marca: REXROTH
Tamaño nominal 16, A1 → A2, B1 → B2 o A2 → A1, B2 → B1, accionamiento mecánico
Serie 3X
Presión máxima de funcionamiento 350 bar
Flujo máximo: 250 l/min
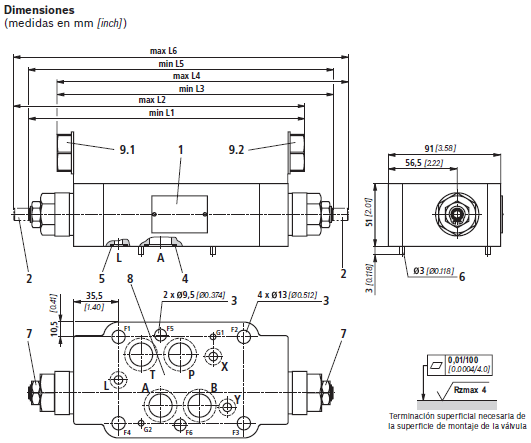
- Descripción
Descripción
Las válvulas estranguladoras e Bosch Rexroth reducen la cantidad de caudal en un sistema hidráulico a un valor ajustado mecánicamente y, con ello, disminuyen la velocidad de los accionamientos hidráulicos.
Características:
-Válvula de placa intermedia
-Posición de las conexiones según ISO 4401-07-07-0-05 y NFPA T3.5.1 R2-D07
-Limitación de caudal de 2 conexiones al consumidor
-Tipo de variador: Husillo con hexágono interior
-Estrangulación en alimentación o en retorno









